Advertisement
Kode Iklan Adsense Anda Yang Telah Diparse
Sanyo Wiring Diagram Internal Regulator Non Drain Type Pressure Switch Modular Valve
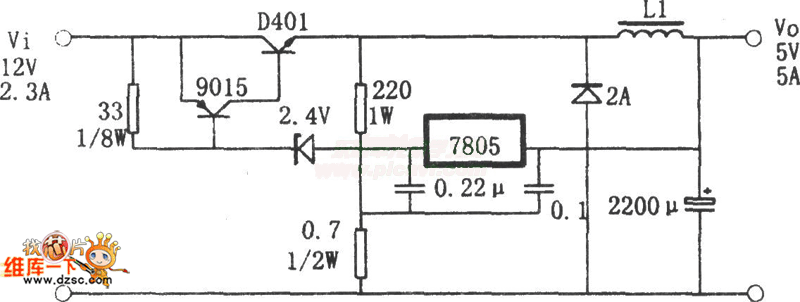
Switching regulator supply circuit diagram with three terminal. Modular nachi drain valve pressure switch non type wiring example. Circuit regulator supply terminal seekic switching three stabilizer diagram switch power keyword published author
sanyo wiring diagram internal regulator
Download PDF
Schematics, diagrams and shop drawings.


Regulator shoptalkforums diagrams schematics. Circuit diagram seekic sanyo 83p supply power. Wiring diagram for 12 volt generator. Schematic accelerometer diagram wiring circuits volt generator testers led axis indicator instruments
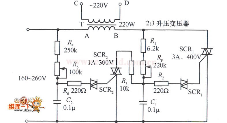
The AC regulator circuit of the dual-way controllable silicon - Power
Non Drain Type Pressure Switch Modular Valve - Valves - Hydraulics
Schematics, diagrams and shop drawings. - Shoptalkforums.com
Figure 23. Schematic Of Regulator
Controls

You have read the article entitled [25+] Sanyo Wiring Diagram Internal Regulator, Wiring Diagram Sinkron Genset. You can bookmark this page with the URL https://gobloglink.blogspot.com/2022/12/25-sanyo-wiring-diagram-internal.html